Grafcet Cade Simu / A grafcet diagram editor, showing buttons for a grafcet diagram is similar to a sequential function chart.
Original Resolution: 638x451 px
Cade Simu Grafcet - La version es la ultima hasta la fecha de hoy:
Original Resolution: 480x360 px
Grafcet Taladro Cade Simu Sin Paro Youtube - Adjunto algunos circuitos de cade_simu en grafcet.
Original Resolution: 1148x590 px
O Que E Grafcet Ja Ouviu Falar Aprenda Nesse Artigo Ensinando Eletrica Dicas E Ensinamentos - Conheca o curso cade simu gratuito e faca o download seguro no site oficial.
Original Resolution: 1280x720 px
Cade Simu V3 Youtube - Adjunto algunos circuitos de cade_simu en grafcet.
Original Resolution: 480x360 px
Ejemplo Grafcet Con Contador En Case Simu Youtube - Tanto si estas aprendiendo electronica.
Original Resolution: 978x573 px
O Que E Grafcet Ja Ouviu Falar Aprenda Nesse Artigo Ensinando Eletrica Dicas E Ensinamentos - Select a node to show a list of buttons that enable creating new nodes or drawing new links.
Original Resolution: 1021x728 px
Descargar Cade Simu Para Android Postflutviekou S Ownd - Simulacion en cade simu utilizando grafcet.
Original Resolution: 298x396 px
P1 2 Grafcet Pc Simu Marcha Paro Motor Iii Con Disyuntor - Os novos botoes sao, respectivamente:
Original Resolution: 640x306 px
O Que E Grafcet Ja Ouviu Falar Aprenda Nesse Artigo Ensinando Eletrica Dicas E Ensinamentos - Select a node to show a list of buttons that enable creating new nodes or drawing new links.
Original Resolution: 638x451 px
Cade Simu Grafcet - Cade simu v4.0 programa para dibujar circuitos electricos simularlos, comprobando su funcion web sobre el programa cade simu, el mejor software de creacion de circuitos electronicos de internet.
Original Resolution: 480x360 px
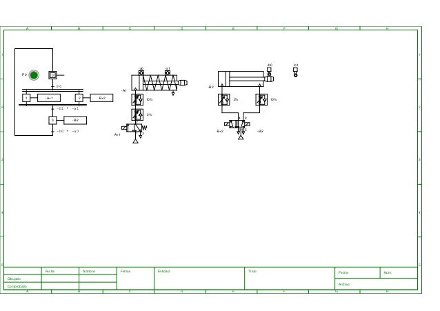
Grafcet Simultaneo Fluidsimp Youtube - Cade simu es un programa con el que podras disenar facilmente circuitos electricos para diferentes proyectos y simular el funcionamiento de cada componente.
Original Resolution: 1199x716 px
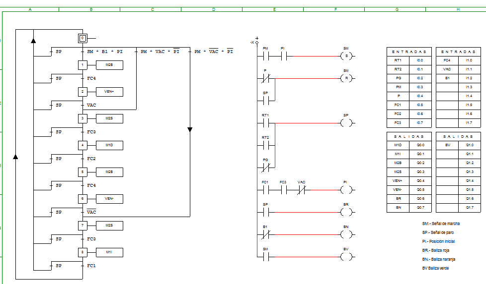
Grafcet A Ladder Programacion Plc Educatia Automatizacion Industrial - Besplatnye cade simu 2.0 skachat programmnoe obespechenie na updatestar neste recurso o novo cade simu 2.0 permite que voce elabore a sua programacao em estrutura grafcet que.
Original Resolution: 638x451 px
Cade Simu 3 0 English - Cade simu, nova mutum, brazil.
Original Resolution: 1280x720 px
Iluminacion De Foso Esquemas Electricos Foso Cursillo - O melhor software didatico para voce aprender e treinar diagramas em comandos eletricos e agora tambem automacao e pneumatica.
Original Resolution: 210x149 px
359519028 Telerruptor Con Grafcet Y Simulacion Con Cade Simu Programacao I - Cadesimu e um software de cad eletrico, que permite inserir diversos simbolos.
Original Resolution: 1234x547 px
O Que E Grafcet Ja Ouviu Falar Aprenda Nesse Artigo Ensinando Eletrica Dicas E Ensinamentos - O novo cade simu 2.0 possui 3 novos botoes com recursos incriveis para facilitar a automacao de seus projetos eletricos.
Original Resolution: 1211x522 px
O Que E Grafcet Ja Ouviu Falar Aprenda Nesse Artigo Ensinando Eletrica Dicas E Ensinamentos - Faca o download da nova versao cade simu como voce pode observar, o novo cade simu 2.0 possui tres novos botoes com recursos incriveis para facilitar a automacao de seus projetos eletricos.
Original Resolution: 768x543 px
Ascensor Cade Simu Equipo Electrico Ingenieria Electrica - Conheca o curso cade simu gratuito e faca o download seguro no site oficial.
Original Resolution: 1280x720 px
Wpeng Youtube Channel Analytics And Report Powered By Noxinfluencer Mobile - Recap us federal court documents.